1、AutoCAD2008绘图环境(包括单位、精度、角度方向、区域尺寸、图层设置、平面图和轴测图的相互转换);
2、坐标系构建的详尽设置,绘图基本方法、快捷命令的使用技巧;
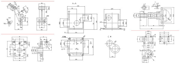
3、二维机械堆件图(二视图和三视图)的绘制、图块的高级应用;
4、机械平面图集轴测图的具体使用方法;
学习周期:1.5个月(以班级安排为准)
考核发证:教育部颁发平计算机辅助设计师证书

全日制每个月1号和16号开班,业余和周末班根据报名人数天班
初高中,大中专毕业生,工厂普工想学一门实用技术都可以
院方自编教材,电脑教材相结合,理念结合实战教学
学校提供住宿和食堂吃饭安排,专职生活老师安排
共100课时(学会为止,一期不会,下期再免费学)
线上线下同步学习
全日制1.5个月,业余制3个月
免费推荐就业和定期组织企业来校招聘
| 高级机械CAD培训班 |
| 课程内容——二维制图 | 1、AutoCAD2008绘图环境(包括单位、精度、角度方向、区域尺寸、图层设置、平面图和轴测图的相互转换) 2、坐标系构建的详尽设置,绘图基本方法、快捷命令的使用技巧 3、二维机械堆件图(二视图和三视图)的绘制、图块的高级应用; 4、机械平面图集轴测图的具体使用方法; 5、打印前的准备和注意事项,出图步骤具体操作 |
| 涉及案例图示 | ![]() |
| 课程内容——三维制图 |
1、UCS用户坐标系统的设置; 2、二维空间和三维空间的相互转换; 3、三维立体模型的建造,曲面的生成,由轴测图绘制出立体图; 4、平面图转成三维立体图,三维图的标注方法; 5、三维模型的后期效果处理(材质的添加、配景的设置)灯光的打射、渲染的步骤、出图设置等。 |
| 涉及案例图示 | ![]() |
![]() |
























—懂市场的老师更会教好你

核心研发团队,数年潜心研发,教学内容基础前沿,课程安排科学合理。一线技术大牛,亲自上阵授课,讲解先进理论知识,传授真实行业经验。

每个模块和小型阶段学习都与实战演练紧密结合。助力学员高效吸收并掌握新知识以及与之相匹配的新技能。避免纸上谈兵,理论与实践脱节,真正做到学以致用。

在理论学习完成后,设置大型项目实训营。让学员真正接触、切身体会岗位所需技能,亲自动手参与项目开发、运作过程。帮助学员拥有自己真实的项目成果以及独立操作大型项目的能力。

根据自身情况分析,正确引导职业发展,
匹配合适专业

正确引导辅助学习与生活
提高自身职业素质

过就业指导培训,提高就业能力,
匹配合适企业,推荐就业
三个月一次的企业双选会,与企业招聘人员面对面沟通学员就业网络覆盖全国各大城市,方便学员灵活、轻松就业